Posts

Showing posts from 2016

Engine management – Interface between engine and vehicle

Image
Code Function Location A01 Electric distribution unit in cab B2b A182A N° 1 heater for diesel filter and dryer (WIF) B3d A182B N° 2 heater for diesel filter and dryer (WIF) B3d A187 Main vehicle management ECU (VMCU) B2b K27 Engine management ECU power supply relay B2b

Engine management – Engine control DXi 13

Image
Code Function Location A14 Engine management ECU B3d A43 Engine fan speed regulator unit B3d B21 Combustion engine coolant circuit temperature sensor B3d B32 Engine cooling fan speed sensor B3d B37 Boost circuit air pressure and temperature sensors assembly B3d B39 Air filter pressure and temperature sensor B3d B51 Combustion engine supercharging pressure sensor B3d B54 Pressure sensor inside engine block B3d B118 Combustion engine oil pressure sensor B3d B119 Engine oil level and temperature sensors unit B3d B187 Pressure sensor for exhaust injector diesel B3d B207 Piston cooling oil pressure sensor B3d B213 Exhaust backpressure sensor B3d S112 Combustion engine shut down control B3d Y35 Engine cooling fan regulation solenoid valve B3d Y103 Exhaust injection solenoid B3d Y114 Air flow regulation solenoid B3d

Vehicle management – Fleet management – Telematics

Image
Code Function Location A01 Electric distribution unit in cab B2b A125 Onboard management system interface ECU B1a A172 Infra-red receiver for interconnection between the keypad and the Navigation functions management ECU B2c A175 Additional telematics management ECU (TESP) B2c A188 FM signal distributor C1a S77 Emergency call control B2b W14 GPS antenna A3a W16 Radio set antenna C3a

Vehicle management – Fleet management – Pre-equipment

Image
Code Function Location A01 Electric distribution unit in cab B2b A122 Tele-payment system ECU C2a A123 Tele-payment sender unit C2a A187 Main vehicle management ECU (VMCU) B2b K22 Starting relay B2b W17 GPS antenna A3a W18 GPS antenna A3a X26 Onboard management pre-arrangement (ECU) B2c AU: left-hand drive AV: right-hand drive

Vehicle management – Tachograph

Image
Code Function Location A01 Electric distribution unit in cab B2b A33 Tachograph C2a A187 Main vehicle management ECU (VMCU) B2b B12 Vehicle speed sensor for tachograph B4d AM: with ADR equipment AN: without ADR equipment FM: with storage battery box on the left FN: with storage battery box at the rear

Vehicle management – Main information display

Image
Key to appliances AU: left-hand drive AV: right-hand drive Code Function Location A01 Electric distribution unit in cab B2b A03A Main information display C2b A161 Man/machine interface management ECU (HMIIOM) B2c

Vehicle electronic management – Main ECU

Image
Code Function Location A01 Electric distribution unit in cab B2b A187 Main vehicle management ECU (VMCU) B2b B25 Accelerator pedal position sensor C1c B26 Clutch pedal position sensor C1c S58B Clutch pedal position sensor C1c S105 Hazard lights control B2b X43 Vehicle diagnostic socket (OBD) C2c GA: with fuel heating equipment GB: without fuel heating equipment GC: with clutch pedal position on/off sensor GD: with clutch pedal position analog sensor GG: with 20A transformer under the dashboard GH: with 25A transformer under the dashboard

Vehicle starting – Standard

Image
Code Function Location A187 Main vehicle management ECU (VMCU) B2b S15A Key control contacts unit C2c FU: with pre-equipment for breathalyzer ignition interlock device FV: without pre-equipment for breathalyzer ignition interlock device

Electrical distribution – Standard on chassis

Image
Code Function Location A163 Central chassis area information management ECU (CCIOM) B6d S169 Engine emergency stop control (on the chassis) C5d S254 Engine emergency stop control (on the chassis) B4b AM: with ADR equipment FM: with storage battery box on the left FN: with storage battery box at the rear GI: storage battery box on the left with ADR equipment GJ: storage battery box at the rear with ADR equipment GK: storage battery box on the left without ADR equipment GL: storage battery box at the rear without ADR equipment

Energy production – ADR equipment

Image
Code Function Location A01 Electric distribution unit in cab B2b A28B Vehicle main supply management ECU (ADR) C5d A187 Main vehicle management ECU (VMCU) B2b S38 Vehicle emergency stop control C2a S39 Vehicle emergency stop control A4b FM: with storage battery box on the left FN: with storage battery box at the rear FQ: ADR equipment with 2 emergency stop controls FR: ADR equipment with 1 emergency stop controls GI: storage battery box on the left with ADR equipment GJ: storage battery box at the rear with ADR equipment

Energy production – Standard and ADR

Image
Code - Function - Location A01 Electric distribution unit in cab B2b B250 24V DC battery charge status sensor C5d FM15 Power fuses box C5d G01A 12V DC battery N° 1 C5d G01B 12V DC battery N° 2 C5d G02 Alternator B3c G02A Alternator B3c M04 Starter B3c X25 Socket B3c X54 Socket B3c X55 Charge connection for batteries B9d AM: with ADR equipment AN: without ADR equipment CQ: with DXi 11 engine CU: with DXi 13 engine FM: with storage battery box on the left FN: with storage battery box at the rear FW: with battery charge state sensor 24V DC FX: without battery charge state sensor 24V DC GI: storage battery box on the left with ADR equipment GJ: storage battery box at the rear with ADR equipment GK: storage battery box on the left without ADR equipment GL: storage battery box at the rear without ADR equipment GM: Bosch alternator GN: Melco alternator

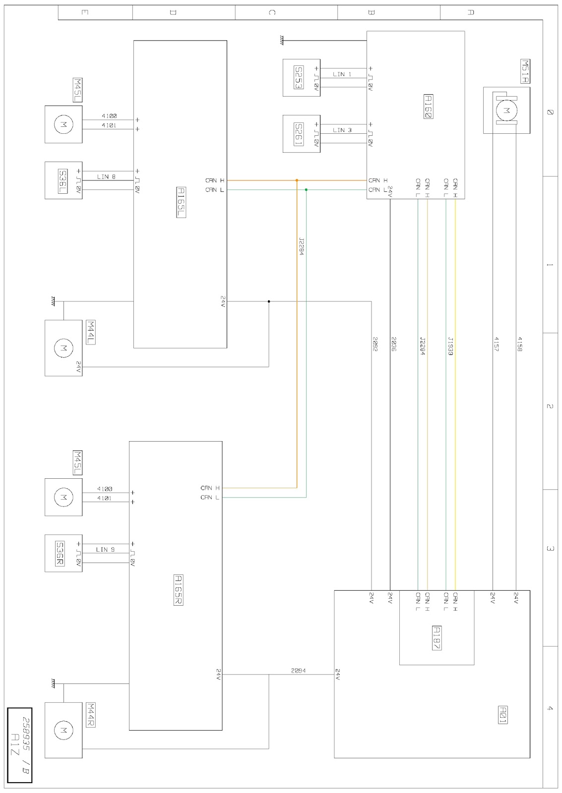
Window lift and sun-roof

Image
A01 Electric distribution unit in cab - A160 Cab information management ECU (CIOM) DA6/EFG/GF1 A165L Left-hand door information management ECU (DDM/PDM) DA7 A165R Right-hand door information management ECU (DDM/PDM) DA8 A187 Main vehicle management ECU (VMCU) BA3/BB1/CA3/ CB1/CBK/CCA/ CD5/DA7/DA8/ EBJ/FA1/GA1/ GC1/GDA/GEA/ GEQ/HA1/JAD/ JAF/JAG M44L Front left-hand door window mechanism motor with anti-pinch system DA7 M44R Front right-hand door window mechanism motor with anti-pinch system DA8 M45L Front left-hand door window mechanism motor DA7 M45R Front right-hand door window mechanism motor DA8 M51A Sunroof electric motor GDA S36L Control for front left-hand window mechanism motor DA7 S36R Control for front right-hand window mechanism motor DA8 S253 Onboard equipment auxiliaries management remote control (LECM) GF1 S261 Re-positionable control unit (group 5) GF1

Tachograph

Image
Code Function name Location A01 Electric distribution unit in cab - A14 Engine management ECU CC4/CCH A33 Tachograph CB1 A122 Tele-payment system ECU CBK A125 Onboard management system interface ECU CBT A160 Cab information management ECU (CIOM) DA6/EFG/GF1 A187 Main vehicle management ECU (VMCU) BA3/BB1/CA3/CB1/CBK/ CCA/CD5/DA7/DA8/EBJ/ FA1/GA1/GC1/GDA/GEA/ GEQ/HA1/JAD/JAF/JAG B12 Vehicle speed sensor for tachograph CB1 X26 Onboard management pre-arrangement (ECU) CBK AM: with ADR equipment AN: without ADR equipment

Retarder

Image
Code Function name Location A01 Electric distribution unit in cab - A14 Engine management ECU CC4/CCH A174B Exhaust gases post-treatment management ECU (ACM) CCX/CCZ/CE5 A187 Main vehicle management ECU (VMCU) BA3/BB1/CA3/ CB1/CBK/CCA/ CD5/DA7/DA8/ EBJ/FA1/GA1/ GC1/GDA/GEA/ GEQ/HA1/JAD/ JAF/JAG B23 Retarder oil temperature sensor CE5 B69 Retarder coolant temperature sensor CE5 B138 Retarder oil pressure sensor CE5 Y17 Retarder control solenoid valve CE5

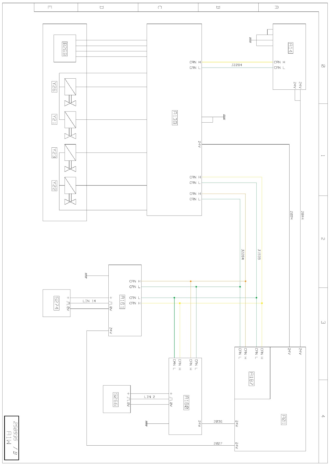
Robotized gearbox management

Image
A01 Electric distribution unit in cab - A13B Robotized transmission management ECU CD5 A14 Engine management ECU CC4/CCH A160 Cab information management ECU (CIOM) DA6/EFG/GF1 A161 Man/machine interface management ECU (HMIIOM) CAK/GF2 A187 Main vehicle management ECU (VMCU) BA3/BB1/CA3/ CB1/CBK/CCA/ CD5/DA7/DA8/ EBJ/FA1/GA1/ GC1/GDA/GEA/ GEQ/HA1/JAD/ JAF/JAG B26B Clutch position sensor (on gearbox) CD5 S266 Re-positionable control unit (group 2) GF1 S274 Steering wheel mounted controls GF2 Y21 Low speed disengagement solenoid valve CD5 Y22 High speed disengagement solenoid valve CD5 Y23 High speed engagement solenoid valve CD5 Y26 Low speed engagement solenoid valve CD5

Transmission

Image
A01 Electric distribution unit in cab - A160 Cab information management ECU (CIOM) DA6/EFG/GF1 A163 Central chassis area information management ECU (CCIOM) BAH/CDU/CG1/ CGA/CGC/ HBD/HBE/JAE A1643 Rear chassis area information management ECU (RCIOM) CDU/CGA/ CGC/CK1/EAA/ EBH/HBD/HBE A187 Main vehicle management ECU (VMCU) BA3/BB1/CA3/ CB1/CBK/CCA/ CD5/DA7/DA8/ EBJ/FA1/GA1/ GC1/GDA/GEA/ GEQ/HA1/JAD/ JAF/JAG B07 Fuel level sensor CDU B09B Gearbox oil temperature sensor CD9 B25 Accelerator pedal position sensor CA3 B26 Clutch pedal position sensor CA1 S45 Position sensor - rear inter-wheel differential lock engaged CDU S47 Position sensor - low speed range engaged CD9 S49 Position sensor - reverse gear engaged CD9 S58B Clutch pedal position sensor CA1 S63 Position sensor - low speed range engaged CD9 S101 Gear selector neutral position sensor CD9 S268 Re-positionable control unit (group 3) GF1 Y02 Rear inter-wheel differential lock solenoid valve CDU Y06 R...

Euro VI engine management

Image
A13B Robotized transmission management ECU CD5 A14 Engine management ECU CC3/CC4/CCG/ CCH A34B Air conditioning management ECU GBP A163 Central chassis area information management ECU (CCIOM) BAH/CDU/ CG1/CGA/CGC/ HBD/HBE/JAE A174B Exhaust gases post-treatment management ECU (ACM) CCX/CCZ/CE5 A182A N° 1 heater for diesel filter and dryer (WIF) CCA A182B N° 2 heater for diesel filter and dryer (WIF) CCA A187 Main vehicle management ECU (VMCU) BA3/BB1/CA3/ CB1/CBK/CCA/ CD5/DA7/DA8/ EBJ/FA1/GA1/ GC1/GDA/GEA/ GEQ/HA1/JAD/ JAF/JAG B96 Nitrogen oxide concentration sensor CCX B96B Nitrogen oxide concentration sensor after catalytic converter CCX G02 Alternator BA2 K01 Air intake pre-heating unit CCT M04 Starter BA2 R01 Intake air preheating resistor CCT R10 Fuel heating resistor N° 2 CCH Y35 Engine cooling fan regulation solenoid valve CC4/CCG Y37 Exhaust brake solenoid valve unit CC3/CCH Y38 Dryer bleed solenoid valve CC3/CCH Y39 VTC engine brake solenoid va...

Trailer specific braking management

Image
A01 Electric distribution unit in cab - A21 Braking management ECU (EBS) CF3/CFR/CFS/ CKA/HBD/HBE A160 Cab information management ECU (CIOM) DA6/EFG/GF1 A161 Man/machine interface management ECU (HMIIOM) CAK/GF2 S268 Re-positionable control unit (group 3) GF1 S274 Steering wheel mounted controls GF2 U05 Trailer brake control modulator CFS

Specific braking management 4x2 - 6x2

Image
A01 Electric distribution unit in cab - A21 Braking management ECU (EBS) CF3/CFR/CFS/ CKA/HBD/HBE B13B LH front wheel speed sensor CFK B14B RH front wheel speed sensor CFK B15B LH rear wheel speed sensor CFN B16B RH rear wheel speed sensor CFN B40B LH front wheel brake lining wear sensor CFK B41B RH front wheel brake lining wear sensor CFK B42A LH rear wheel brake lining wear sensor CFN B43A RH rear wheel brake lining wear sensor CFN B70 Rear left-hand wheel speed sensor (PUSHER rear axle) CFT B71 Rear right-hand wheel speed sensor (PUSHER rear axle) CFT B72 Left rear wheel speed sensor (TAG rear axle) CFT B73 Right rear wheel speed sensor (TAG rear axle) CFT B74B Rear left-hand wheel brake lining wear sensor (PUSHER rear axle) CFT B75B Rear right-hand wheel brake lining wear sensor (PUSHER rear axle) CFT B76B Left rear wheel brake lining wear sensor (TAG rear axle) CFT B77B Right rear wheel brake lining wear sensor (TAG rear axle) CFT U03A Braking assistance mo...

Braking management

Image
A01 Electric distribution unit in cab - A03A Main information display CAK A13B Robotized transmission management ECU CD1 A14 Engine management ECU CC4/CCH A21 Braking management ECU (EBS) CF3/CFR/CFS/ CKA/HBD/HBE A160 Cab information management ECU (CIOM) DA6/EFG/GF1 A161 Man/machine interface management ECU (HMIIOM) CAK/GF2 A162 Front chassis area information management ECU (FCIOM) EA1/EFG/ FA1/GA1/GBP A163 Central chassis area information management ECU (CCIOM) BAH/CDU/CG1/ CGA/CGC/ HBD/HBE/JAE A164 Rear chassis area information management ECU (RCIOM) CDU/CGA/CGC/CK1/ EAA/EBH/HBD/HBE A177 Air production management (APM) CKL A187 Main vehicle management ECU (VMCU) BA3/BB1/CA3/CB1/CBK/ CCA/CD5/DA7/DA8/EBJ/ FA1/GA1/GC1/GDA/GEA/ GEQ/HA1/JAD/JAF/JAG B03 Footbrake control modulator CF3/CFR/CFS/ CKA/HBD/HBE B22 External air temperature sensor GBP B49 Angle sensor wheel steering CF3/CFR/CFS/ CKA/HBD/HBE B50 Chassis lateral acceleration sensor CF3/CFR/CFS/ CKA...

Safety and driving assistance

Image
A01 Electric distribution unit in cab - A03A Main information display CAK A26 Driver's trip computer ECU (DECU) FJK A132 Vehicle immobiliser interlock ECU DAK A154 Video display DAE A160 Cab information management ECU (CIOM) DA6/EFG/GF1 A161 Man/machine interface management ECU (HMIIOM) CAK/GF2 A165L Left-hand door information management ECU (DDM/PDM) DA7 A165R Right-hand door information management ECU (DDM/PDM) DA8 A169 Video ECU (VS) DAE A176 Camera unit plus object detection and change of lane sensors (LPOS) FJL A187 Main vehicle management ECU (VMCU) BA3/BB1/CA3/ CB1/CBK/CCA/ CD5/DA7/DA8/ EBJ/FA1/GA1/ GC1/GDA/GEA/ GEQ/HA1/JAD/ JAF/JAG B67 Vehicle rear visibility assistance camera DAE B238 Object detection, and distance radar sensor (FLS) FJK B245A Vehicle rear visibility assistance camera DAE S15A Key control contacts unit BB1 S61 Driver's seat belt engaged sensor GC1 S276 Steering wheel mounted controls GF2 S278 Cruise control commands unit ...

Controlled axle

Image
A03A Main information display CAK A21 Braking management ECU (EBS) CF3/CFR/CFS/ CKA/HBD/HBE A160 Cab information management ECU (CIOM) DA6/EFG/GF1 A161 Man/machine interface management ECU (HMIIOM) CAK/GF2 A187 Main vehicle management ECU (VMCU) BA3/BB1/CA3/ CB1/CBK/CCA/ CD5/DA7/DA8/ EBJ/FA1/GA1/ GC1/GDA/GEA/ GEQ/HA1/JAD/ JAF/JAG B49 Angle sensor wheel steering CF3/CFR/CFS/ CKA/HBD/HBE B49R Steering lockover angle sensor (steered rear axle) CKA S266 Re-positionable control unit (group 2) GF1 Y53 Axle control solenoid valve assembly CKA

Electric rear-view mirrors

Image
A01 Electric distribution unit in cab - A34B Air conditioning management ECU GBP A160 Cab information management ECU (CIOM) DA6/EFG/GF1 A165L Left-hand door information management ECU (DDM/PDM) DA7 A165R Right-hand door information management ECU (DDM/PDM) DA8 A170A Cab air conditioning control panel GBP S36L Control for front left-hand window mechanism motor DA7 S36R Control for front right-hand window mechanism motor DA8 R02AL Left-hand electric external rear-view mirror DA7 R02AR Right-hand electric external rear-view mirror DA8

Windscreen wiper and windscreen washer

Image
Code Function name Location A01 Electric distribution unit in cab - A160 Cab information management ECU (CIOM) DA6/EFG/GF1 A161 Man/machine interface management ECU (HMIIOM) CAK/GF2 A162 Front chassis area information management ECU (FCIOM) EA1/EFG/FA1/GA1/GBP A187 Main vehicle management ECU (VMCU) BA3/BB1/CA3/CB1/CBK/ CCA/CD5/DA7/DA8/EBJ/ FA1/GA1/GC1/GDA/GEA/ GEQ/HA1/JAD/JAF/JAG B239 Rain and light detection sensors unit FA1 B249 Screen wash level sensor FA1 H09 Electric horn EFG M01 Windscreen wiper drive motor FA1 M02 Windscreen wash pump motor FA1 M03 Headlamp washer pump motor FA1 S274 Steering wheel mounted controls GF2

Air suspension

Image
A01 Electric distribution unit in cab - A03A Main information display CAK A160 Cab information management ECU (CIOM) DA6/EFG/GF1 A161 Man/machine interface management ECU (HMIIOM) CAK/GF2 A163 Central chassis area information management ECU (CCIOM) BAH/CDU/ CG1/CGA/CGC/ HBD/HBE/JAE A164 Rear chassis area information management ECU (RCIOM) CDU/CGA/ CGC/CK1/EAA/ EBH/HBD/HBE A187 Main vehicle management ECU (VMCU) BA3/BB1/CA3/ CB1/CBK/CCA/ CD5/DA7/DA8/ EBJ/FA1/GA1/ GC1/GDA/GEA/ GEQ/HA1/JAD/ JAF/JAG B28 Front axle suspension position sensor CGA/CGC B29B Rear drive axle suspension LH position sensor CGA/CGC/CK1 B30 Rear drive axle suspension RH position sensor CGA/CGC B56 Sensor for air pressure in front axle suspension cushion CGA/CGC B57 Sensor for air pressure in left suspension cushion (rear axle N° 1) CGA B58 Sensor for air pressure in right suspension cushion (rear axle N° 1) CGA S266 Re-positionable control unit (group 2) GF1 S282 Air suspension contro...

Air conditioning

Image
A01 Electric distribution unit in cab - A14 Engine management ECU CC3/CC4/ CCG/CCH A34B Air conditioning management ECU GBP A160 Cab information management ECU (CIOM) DA6/EFG/GF1 A161 Man/machine interface management ECU (HMIIOM) CAK/GF2 A162 Front chassis area information management ECU (FCIOM) EA1/EFG/ FA1/GA1/GBP A170A Cab air conditioning control panel GBP A187 Main vehicle management ECU (VMCU) BA3/BB1/CA1/ CB1/CBK/CCA/ CD1/DA7/DA8/ GA1/GEA/GDA/ HA1/JAD/JAF/JAG A211 Air/air independent heater GB1 B22 External air temperature sensor GBP B236 Mist on windscreen sensor GBP E128 Air/water independent heater GBA S253 Onboard equipment auxiliaries management remote control (LECM) GF1 Y32 Fuel supply pump motor for independent heating GBA Y42 Air conditioning compressor electric clutch GBP AS: With air/air independent heating AT: With air/water independent heating

Air production management

Image
Code Function name Location A01 Electric distribution unit in cab - A03A Main information display CAK A21 Braking management ECU (EBS) CF3/CFR/CFS/ CKA/HBD/HBE A161 Man/machine interface management ECU (HMIIOM) CAK/GF2 A163 Central chassis area information management ECU (CCIOM) BAH/CDU/CG1/ CGA/CGC/ HBD/HBE/JAE A173A Parking brake electrical control CKL A177 Air production management (APM) CKL A187 Main vehicle management ECU (VMCU) BA3/BB1/CA3/ CB1/CBK/CCA/ CD5/DA7/DA8/ EBJ/FA1/GA1/ GC1/GDA/GEA/ GEQ/HA1/JAD/ JAF/JAG AM: with ADR equipment

Euro VI anti-pollution

Image
Key to appliances Code Function name Location A01 Electric distribution unit in cab - A13B Robotized transmission management ECU CD5 A14 Engine management ECU CC3/CCG A163 Central chassis area information management ECU (CCIOM) BAH/CDU/CG1/ CGA/CGC/ HBD/HBE/JAE A174B Exhaust gases post-treatment management ECU (ACM) B1A/CCX/ CCZ/CE5 A187 Main vehicle management ECU (VMCU) BA3/BB1/CA3/ CB1/CBK/CCA/ CD5/DA7/DA8/ EBJ/FA1/GA1/ GC1/GDA/GEA/ GEQ/HA1/JAD/ JAF/JAG A190 Air control solenoid and AdBlue temperature sensor assembly CCZ B96 Nitrogen oxide concentration sensor CCX B96B Nitrogen oxide concentration sensor after catalytic converter CCX B142B AdBlue tank temperature and level sensors unit CCZ B262 AdBlue pressure sensor CCZ B263 Air pressure sensor in AdBlue tank CCZ M73 AdBlue supply metering pump CCZ R56A AdBlue heating resistor (on the circuit between the tank and the pump module, yellow hose) CCZ R57A AdBlue heating resistor (on the circuit betwee...

Immobilizer

Image
Key to appliances Code Function name Location A01 Electric distribution unit in cab - A03A Main information display CAK A14 Engine management ECU CC4/CCH A31 Vehicle anti-theft system ECU DAA A160 Cab information management ECU (CIOM) DA6/EFG/GF1 A161 Man/machine interface management ECU (HMIIOM) CAK/GF2 A163 Central chassis area information management ECU (CCIOM) BAH/CDU/CG1/CGA/ CGC/HBD/HBE/JAE A177 Air production management (APM) CKL A187 Main vehicle management ECU (VMCU) BA3/BB1/CA3/ CB1/CBK/CCA/ CD5/DA7/DA8/ EBJ/FA1/GA1/ GC1/GDA/GEA/ GEQ/HA1/JAD/ JAF/JAG S15A Key control contacts unit BB1 W02A Immobiliser antenna transponder DA6

Exterior lighting

Image
Code Function name Location A01 Electric distribution unit in cab - A03A Main information display CAK A31 Vehicle anti-theft system ECU DAA A160 Cab information management ECU (CIOM) DA6/EFG/GF1 A161 Man/machine interface management ECU (HMIIOM) CAK/GF2 A162 Front chassis area information management ECU (FCIOM) EA1/EFG/ FA1/GA1/GBP A163 Central chassis area information management ECU (CCIOM) BAH/CDU/ CG1/CGA/CGC/ HBD/HBE/JAE A164 Rear chassis area information management ECU (RCIOM) CDU/CGA/ CGC/CK1/EAA/ EBH/HBD/HBE A187 Main vehicle management ECU (VMCU) BA3/BB1/CA3/ CB1/CBK/CCA/ CD5/DA7/DA8/ EBJ/FA1/GA1/ GC1/GDA/GEA/ GEQ/HA1/JAD/ JAF/JAG E11LC Side/parking light - LH centre EBH E11LF Side/parking light - LH front EBH E11LR Side/parking light - LH rear EBH E11LW Side/parking light - left rear wheel EBH E11RC Side/parking light - RH centre EBH E11RF Side/parking light - RH front EBH E11RR Side/parking light - RH rear EBH E11RW Side/parking light - rig...

Interior lighting

Image
Key to appliances GR: with differential lock variation control GQ: with passenger compartment lighting variation control Code Function name Location A01 Electric distribution unit in cab - A03A Main information display CAK A31 Vehicle anti-theft system ECU DAA A160 Cab information management ECU (CIOM) DA6/EFG/GF1 A161 Man/machine interface management ECU (HMIIOM) CAK/GF2 A162 Front chassis area information management ECU (FCIOM) EA1/EFG/ FA1/GA1/GBP A165L Left-hand door information management ECU (DDM/PDM) DA7 A165R Right-hand door information management ECU (DDM/PDM) DA8 A187 Main vehicle management ECU (VMCU) BA3/BB1/CA3/CB1/ CBK/CCA/CD5/DA7/ DA8/EBJ/FA1/GA1/ GC1/GDA/GEA/GEQ/ HA1/JAD/JAF/JAG E99L Bunk lighting unit left-hand side GA1 E99R Bunk lighting unit right-hand side GA1 E100L Lighting unit, left-hand cabin light (environment) GA1 E100R Lighting unit, right-hand cabin light (environment) GA1 E101L Reading light left-hand side GA1 E101R Reading l...

Alarm

Image
Key to appliances AM: with ADR equipment AN: without ADR equipment GW: with 15-pin trailer socket GX: with 2 7-pin trailer sockets Code Function name Location A01 Electric distribution unit in cab - A03A Main information display CAK A31 Vehicle anti-theft system ECU DAA A33 Tachograph CB1 A160 Cab information management ECU (CIOM) DA6/EFG/GF1 A161 Man/machine interface management ECU (HMIIOM) CAK/GF2 A162 Front chassis area information management ECU (FCIOM) EA1/EFG/ FA1/GA1/GBP A164 Rear chassis area information management ECU (RCIOM) CDU/CGA/CGC/CK1/ EAA/EBH/HBD/HBE A165L Left-hand door information management ECU (DDM/PDM) DA7 A165R Right-hand door information management ECU (DDM/PDM) DA8 A187 Main vehicle management ECU (VMCU) BA3/BB1/CA3/CB1/ CBK/CCA/CD5/DA7/ DA8/EBJ/FA1/GA1/ GC1/GDA/GEA/GEQ/ HA1/JAD/JAF/JAG B90 Intrusion alarm ultrasonic transmitter DAA B91 Intrusion alarm ultrasonic sensor DAA B242 Ultrasound decoder for anti-intrusion protection...

Locking/Unlocking of doors

Image
Shared function - Locking/Unlocking of doors Key to appliances GW: with 15-pin trailer socket GX: with 2 7-pin trailer sockets Code Function name Location A01 Electric distribution unit in cab - A03A Main information display CAK A31 Vehicle anti-theft system ECU DAA A160 Cab information management ECU (CIOM) DA6/EFG/GF1 A161 Man/machine interface management ECU (HMIIOM) CAK/GF2 A162 Front chassis area information management ECU (FCIOM) EA1/EFG/FA1/ GA1/GBP A164 Rear chassis area information management ECU (RCIOM) CDU/CGA/ CGC/CK1/EAA/ EBH/HBD/HBE A165L Left-hand door information management ECU (DDM/PDM) DA7 A165R Right-hand door information management ECU (DDM/PDM) DA8 A187 Main vehicle management ECU (VMCU) BA3/BB1/CA3/ CB1/CBK/CCA/ CD5/DA7/DA8/ EBJ/FA1/GA1/ GC1/GDA/GEA/ GEQ/HA1/JAD/ JAF/JAG E13L Direction indicator lamp LH rear EAA E13R Direction indicator lamp RH rear EAA E83AL LH light unit EA1 E83AR RH light u...

Display

Image
Key to appliances FY: with video ECU FZ: without video ECU GG: with 20A transformer under the dashboard GH: with 25A transformer under the dashboard GS: without supplementary telematics management ECU GT: with supplementary telematics management ECU Code Function name Location A01 Electric distribution unit in cab - A03A Main information display CAK A07 Radio set GDH A125 Onboard management system interface ECU CBT A154 Video display DAE A160 Cab information management ECU (CIOM) DA6/EFG/GF1 A161 Man/machine interface management ECU (HMIIOM) CAK/GF2 A169 Video ECU (VS) DAE A175 Additional telematics management ECU (TESP) CBT A188 FM signal distributor CBT B60L LH front loudspeaker GDH B60LR Rear left-hand speaker GDH B60R RH front loudspeaker GDH B60RR Rear right-hand speaker GDH B63 Microphone GDH B67 Vehicle rear visibility assistance camera DAE B245A Vehicle rear visibility assistance camera DAE B252L Tweeter speaker le...

Distribution and management of electrical energy without and with ADR

Image
Key to appliances AA: with electrical master switch FM: with storage battery box on the left FN: with storage battery box at the rear Code Function name Location A01 Electric distribution unit in cab CD5 A13B Robotized transmission management ECU CD1 A14 Engine management ECU CC4/CCH A21 Braking management ECU (EBS) CF3/CFR/CFS/ CKA/HBD/HBE A162 Front chassis area information management ECU (FCIOM) EA1/EFG/ FA1/GA1/GBP A163 Central chassis area information management ECU (CCIOM) BAH/CDU/CG1/CGA/ CGC/HBD/HBE/JAE A164 Rear chassis area information management ECU (RCIOM) CDU/CGA/CGC/CK1/ EAA/EBH/HBD/HBE A174B Exhaust gases post-treatment management ECU (ACM) CCX/CCZ/CE5 A177 Air production management (APM) CKL A182A N° 1 heater for diesel filter and dryer (WIF) CCA A182B N° 2 heater for diesel filter and dryer (WIF) CCA B96 Nitrogen oxide concentration sensor CCX B96B Nitrogen oxide concentration sensor after catalytic converter CCX ...

COMMUNICATION BUS ARCHITECTURE

Image
CAN BUS architecture A03A Main information display C2b A07 Radio set B2b A13B Robotized transmission management ECU B6d A14 Engine management ECU B3c A21 Braking management ECU (EBS) B6d A26 Driver's trip computer ECU (DECU) B2c A31 Vehicle anti-theft system ECU B2c A33 Tachograph C2a A34B Air conditioning management ECU A2c A36 Bodybuilder pre-equipment management ECU (BBM) B2c A125 Onboard management system interface ECU B1a A132 Vehicle immobiliser interlock ECU B2c A154 Video display B2b A160 Cab information management ECU (CIOM) B2c A161 Man/machine interface management ECU (HMIIOM) B2c A162 Front chassis area information management ECU (FCIOM) A2d A163 Central chassis area information management ECU (CCIOM) B6d A164 Rear chassis area information management ECU (RCIOM) B8d A165L Left-hand door information management ECU (DDM/PDM) C3c A165R Right-hand door information management ECU (DDM/PDM) A3c A169 Video ECU (VS) B2c A174B Ex...